

进口真空蝶阀描述--
ALSO高真空蝶阀旋转平稳、密封可靠,阀门开闭有锁定功能,是用来接通或切断真空管路中的气流,适用于真空管路中的微腐蚀和非腐蚀性气体、液体的控制。
进口真空蝶阀技术性能--
|
适用范围(Pa) |
|
|
阀门漏率(Pa.L/S) |
≤1.3×10 -7 |
|
介质温度(℃) |
-25~+80(密封材料为丁晴橡胶) |
|
-30~+150(密封材料为氟橡胶) |
|
|
阀门主要部件材料 |
不锈钢或碳钢 |
|
法兰标准 |
JB919 |
|
安装位置 |
任意 |

|
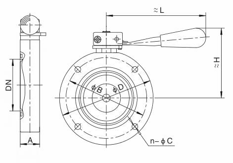
型号 |
通径(DN) |
ΦD |
ΦB |
H |
A |
L |
n-ΦC |
|
GI25 |
25 |
70 |
55 |
64 |
22 |
104 |
4-Φ7 |
|
GI32 |
32 |
78 |
64 |
68 |
|||
|
GI40 |
40 |
85 |
70 |
72 |
116 |
||
|
GI50 |
50 |
110 |
90 |
85 |
4-Φ9 |
||
|
GI63 |
63 |
130 |
110 |
96 |
26 |
132 |
|
|
GI80 |
80 |
145 |
125 |
108 |
30 |
154 |
|
|
GI100 |
100 |
170 |
145 |
120 |
4-Φ12 |
||
|
GI125 |
125 |
195 |
170 |
136 |
35 |
197 |
|
|
GI150 |
150 |
220 |
195 |
150 |
8-Φ12 |
||
|
GI200 |
200 |
275 |
250 |
185 |
40 |
242 |
|
|
GI250 |
250 |
330 |
300 |
219 |
45 |
330 |
|
|
GI300 |
300 |
380 |
350 |
245 |
55 |
8-Φ14 | |
|
GI400 |
400 |
500 |
465 |
312 |
60 |
435 |
8-Φ18 |

|
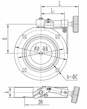
型号 |
通径(DN) |
ΦD |
ΦB |
H |
A |
L |
L1 |
n-ΦC |
|
GU32 |
32 |
78 |
64 |
51 |
22 |
62 |
29 |
4-Φ7 |
|
GU40 |
40 |
85 |
70 |
55 |
65 |
32 |
||
|
GU50 |
50 |
110 |
90 |
69 |
71 |
45 |
4-Φ9 |
|
|
GU63 |
63 |
130 |
110 |
72 |
26 |
87 |
55 |
|
|
GU80 |
80 |
145 |
125 |
80 |
30 |
85 |
63 |
|
|
GU100 |
100 |
170 |
145 |
90 |
110 |
75 |
4-Φ12 |
|
|
GU150 |
150 |
220 |
195 |
122 |
35 |
155 |
98 |
8-Φ12 |
|
GU200 |
200 |
275 |
250 |
156 |
40 |
159 |
117 |
|
|
GU250 |
250 |
330 |
300 |
259 |
45 |
167 |
132 |
|
|
GU300 |
300 |
380 |
350 |
284 |
55 |
197 |
162 |
8-Φ14 |
联系电话
微信扫一扫